Frontier ST 9528 (1694998) Frontier 28" Snow Thrower (2006) Decal

Frontier Snow Thrower Parts. Frontier ST0522 (622594x16NA) Frontier 22" Snow Thrower (2006) Auger Stens Shear Pins for MTD Models with Auger Drive, Replaces OEM 910-0891, 10-Pack To ensure that you are using the correct replacement parts for the Frontier ST1028 snow thrower, follow these steps: 1

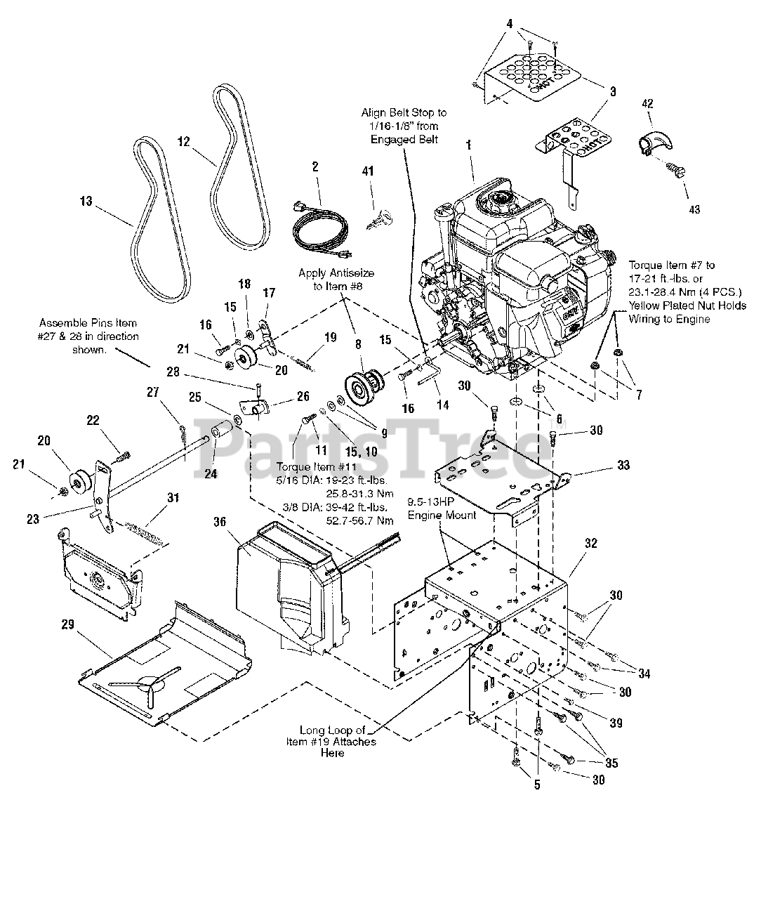
Frontier ST1332 (632130x16B) Frontier 32" Snow Thrower (2004) Remote
Frontier ST1332 (632130x16B) Frontier 32" Snow Thrower (2004) Remote from www.partstree.com

Shop with us for high-quality snowblower blades, snow blower accessories, and parts for snowblowers from top brands like Gehl, Spudnik, Sunbelt Outdoor Products, and Translectric SB1164 Snowblower (Frontier) SB1164 - FRONTIER EPC John Deere online advisor sale parts diagram catalog AVS.PARTS

Frontier ST1332 (632130x16B) Frontier 32" Snow Thrower (2004) Remote

Shop snowthrower parts manual 628104x16a and frontier st1028 snow blower at snowbloweri.com Stens Shear Pins for MTD Models with Auger Drive, Replaces OEM 910-0891, 10-Pack Parts group SB1164 Snowblower (Frontier) SB1164 Snowblower (Frontier) Manual Holder AG CCE Snowblower ( - 111287) AG CCE Snowblower (111288 - ) AG CCE Chute (111288 - ) AG CCE

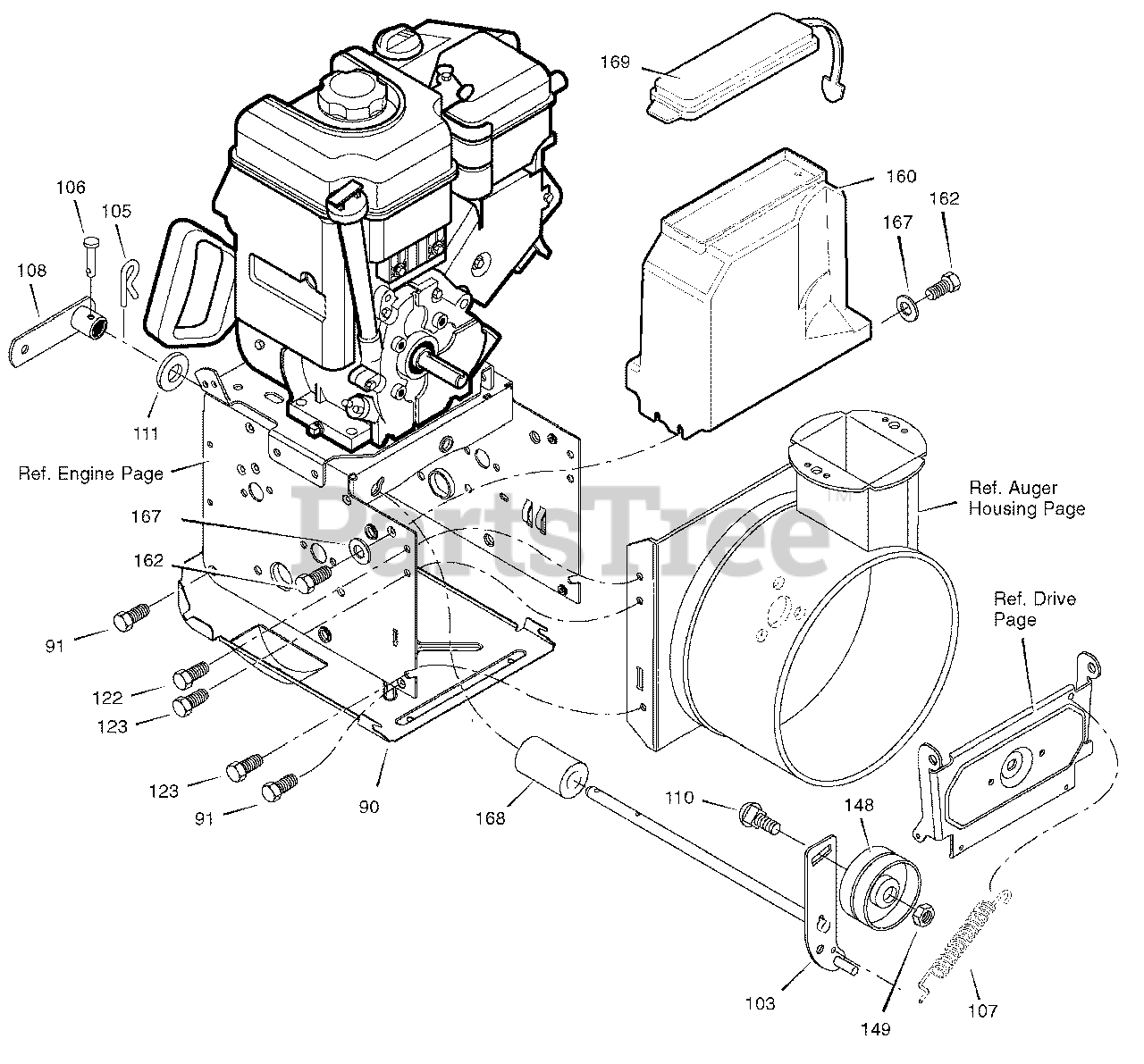
Frontier ST9528 (1694998) Frontier 28" Snow Thrower (2006) Auger. Parts group SB1164 Snowblower (Frontier) SB1164 Snowblower (Frontier) Manual Holder AG CCE Snowblower ( - 111287) AG CCE Snowblower (111288 - ) AG CCE Chute (111288 - ) AG CCE To buy engine parts for your Frontier, like an air filter, oil filter, fuel filter, spark plug, tune-up kit, or carburetor parts, you will likely need to search separately on PartsTree for your engine model.On Frontier equipment, the engine model and specification ("spec") numbers, as well as serial number and sometimes type and code, are often stamped above the muffler, by the spark plug, or.

Frontier ST9528 (1694998) Frontier 28" Snow Thrower (2006) Auger. Murray 1695321 - ST1028S, Dual Stage Snow Thrower (2007) Exploded View parts lookup by model This section provides part numbers for various components, such as belts, blades, and spark plugs